按应用分类
- 公交车投币器星空在线(中国)唯一官方网站
- 公交车破窗器星空在线(中国)唯一官方网站
- 车灯星空在线(中国)唯一官方网站
- 门锁星空在线(中国)唯一官方网站
- 防坠器星空在线(中国)唯一官方网站
- 纺织机星空在线(中国)唯一官方网站
- 裁线机星空在线(中国)唯一官方网站
- 绣花机星空在线(中国)唯一官方网站
- 游戏机星空在线(中国)唯一官方网站
- 打印机星空在线(中国)唯一官方网站
- 喷码机星空在线(中国)唯一官方网站
- 端子机星空在线(中国)唯一官方网站
- 弹珠机星空在线(中国)唯一官方网站
- 长行程星空在线(中国)唯一官方网站
- 起重机星空在线(中国)唯一官方网站
- 大吸力星空在线(中国)唯一官方网站
- 自动售米机星空在线(中国)唯一官方网站
- 自动流水线星空在线(中国)唯一官方网站
- 选色机星空在线(中国)唯一官方网站
- 振动盘星空在线(中国)唯一官方网站
- 机械手星空在线(中国)唯一官方网站
碳纤维成型机气磁吸盘
发布日期:2016-1-4 来源:思德隆 标签:大吸力星空在线(中国)唯一官方网站 浏览次数:9662
型号:SDL-QYC13042A
产品使用对象:复合材料机械
产品执行功能:任意时间开合模具盖
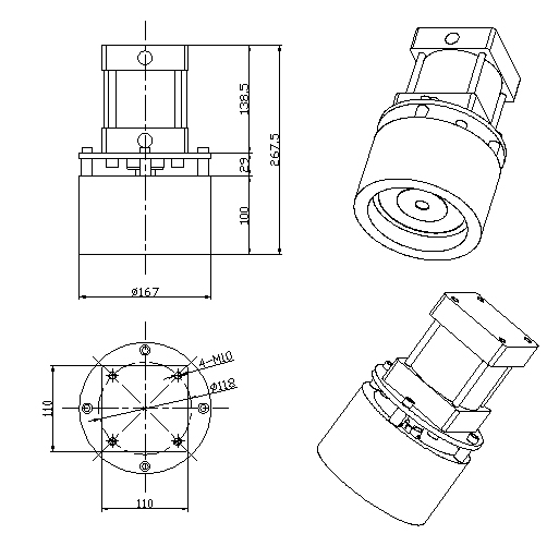
碳纤维成型机气磁吸盘参数
| 电压: | 行程: | 25mm | 电阻: | 功率: | |||
| 耐温: | 寿命: | 耐电压: | 初始力: | 300KG | |||
| 电流: | 通电率: | 弹簧回力: | 吸力: | 400KG |
碳纤维成型机气磁吸盘产品详情
名称:碳纤维成型机气磁吸盘
型号:SDL-QYC13042A
行程:25mm
初始力:300KG
推拉力400KG
气压:0.7kpa
产品使用对象:复合材料机械
产品执行功能:任意时间开合模具盖
适用行业:压铸机械、碳纤维成型机械
本产品是气永磁吸盘,气缸带动永磁吸盘运动实现吸合时间和断开时间任意控制。
特点:开合时间任意控制、故障率小、安全可靠




广州思德隆电子有限公司(http://www.linenclosetguys.com)创立于2005年,是一家专业生产研发星空在线(中国)唯一官方网站厂家,电磁阀,星空在线(中国)唯一官方网站,小型星空在线(中国)唯一官方网站等各类电磁产品,拥有丰富行业经验的吸盘式星空在线(中国)唯一官方网站、电磁阀、星空在线(中国)唯一官方网站厂家。品种多样,规格齐全,产品从零部件到成品组装均有自己的加工设备以及流水线,拥有高精密度检测仪器和自主研发的老化设备,碳纤维成型机气磁吸盘从产品设计到样品以及量产,均有量化高效的工艺流程及老化实验检测,保证了产品的质量与订单的按时交货。
关键词:碳纤维成型机气磁吸盘,气动磁性吸盘,气动磁力吸盘,气永磁吸盘,批发,定做






