按应用分类
- 公交车投币器星空在线(中国)唯一官方网站
- 公交车破窗器星空在线(中国)唯一官方网站
- 车灯星空在线(中国)唯一官方网站
- 门锁星空在线(中国)唯一官方网站
- 防坠器星空在线(中国)唯一官方网站
- 纺织机星空在线(中国)唯一官方网站
- 裁线机星空在线(中国)唯一官方网站
- 绣花机星空在线(中国)唯一官方网站
- 游戏机星空在线(中国)唯一官方网站
- 打印机星空在线(中国)唯一官方网站
- 喷码机星空在线(中国)唯一官方网站
- 端子机星空在线(中国)唯一官方网站
- 弹珠机星空在线(中国)唯一官方网站
- 长行程星空在线(中国)唯一官方网站
- 起重机星空在线(中国)唯一官方网站
- 大吸力星空在线(中国)唯一官方网站
- 自动售米机星空在线(中国)唯一官方网站
- 自动流水线星空在线(中国)唯一官方网站
- 选色机星空在线(中国)唯一官方网站
- 振动盘星空在线(中国)唯一官方网站
- 机械手星空在线(中国)唯一官方网站
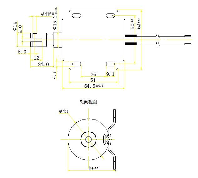
端子机圆管星空在线(中国)唯一官方网站
发布日期:2015-12-16 来源:思德隆 标签:端子机星空在线(中国)唯一官方网站加工 浏览次数:11602
型号:SDL-O1665A-220L
产品使用对象:端子机,超静音端子机
产品执行功能:推拉
端子机圆管星空在线(中国)唯一官方网站参数
| 电压: | DC220V | 行程: | 20mm | 电阻: | 功率: | ||
| 耐温: | 寿命: | 耐电压: | 初始力: | 2.5KG | |||
| 电流: | 2.44A-1.88A | 通电率: | 弹簧回力: | 吸力: |
端子机圆管星空在线(中国)唯一官方网站产品详情
名称:端子机圆管星空在线(中国)唯一官方网站
型号:SDL-O1665A-220L
详细说明及性能优劣:
1. 星空在线(中国)唯一官方网站铁芯耐磨,撞击性好,长年使用顶部无损;
2. 铜头与导杆之间螺纹固定点胶,并且带有无头螺丝固定,频繁撞击铜头不会脱落;
3. 弹簧在原有基础上加大,保证弹回有力,动感强烈;
4. 线包采用优质漆包线制成,耐温,耐高压,电流稳定,磁感应强度稳定;
5. 线圈装有双重保险丝,对于瞬间电压过高,长时间通电发热带来的烧毁星空在线(中国)唯一官方网站以及游戏机其他部件问题得到解决;
6.良好的框架结构设计和铆合,有效解决星空在线(中国)唯一官方网站散架问题。
7.星空在线(中国)唯一官方网站寿命达到500万次以上。动感持久不衰。

(1).jpg)
广州思德隆电子有限公司(http://www.linenclosetguys.com)创立于2005年,是一家专业生产研发星空在线(中国)唯一官方网站厂家,电磁阀,星空在线(中国)唯一官方网站,小型星空在线(中国)唯一官方网站等各类电磁产品,拥有丰富行业经验的推拉式星空在线(中国)唯一官方网站定制、电磁阀、星空在线(中国)唯一官方网站厂家。品种多样,规格齐全,产品从零部件到成品组装均有自己的加工设备以及流水线,拥有高精密度检测仪器和自主研发的老化设备,端子机圆管星空在线(中国)唯一官方网站从产品设计到样品以及量产,均有量化高效的工艺流程及老化实验检测,保证了产品的质量与订单的按时交货。
关键词:端子机圆管星空在线(中国)唯一官方网站,端子机圆管星空在线(中国)唯一官方网站厂家定制






