按应用分类
- 公交车投币器星空在线(中国)唯一官方网站
- 公交车破窗器星空在线(中国)唯一官方网站
- 车灯星空在线(中国)唯一官方网站
- 门锁星空在线(中国)唯一官方网站
- 防坠器星空在线(中国)唯一官方网站
- 纺织机星空在线(中国)唯一官方网站
- 裁线机星空在线(中国)唯一官方网站
- 绣花机星空在线(中国)唯一官方网站
- 游戏机星空在线(中国)唯一官方网站
- 打印机星空在线(中国)唯一官方网站
- 喷码机星空在线(中国)唯一官方网站
- 端子机星空在线(中国)唯一官方网站
- 弹珠机星空在线(中国)唯一官方网站
- 长行程星空在线(中国)唯一官方网站
- 起重机星空在线(中国)唯一官方网站
- 大吸力星空在线(中国)唯一官方网站
- 自动售米机星空在线(中国)唯一官方网站
- 自动流水线星空在线(中国)唯一官方网站
- 选色机星空在线(中国)唯一官方网站
- 振动盘星空在线(中国)唯一官方网站
- 机械手星空在线(中国)唯一官方网站
跳绳机用推动公仔跳起圆管星空在线(中国)唯一官方网站制作
发布日期:2016-12-13 来源:思德隆 标签:星空在线(中国)唯一官方网站 浏览次数:5361
型号:SDL-O15120A-36S12
产品使用对象:游戏设备跳绳机
产品执行功能:公仔跳起推动
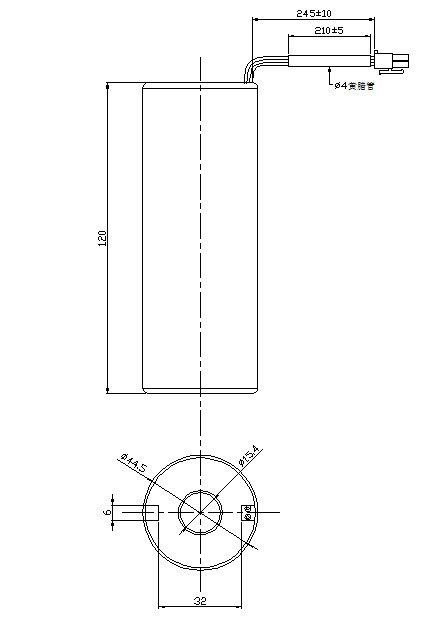
跳绳机用推动公仔跳起圆管星空在线(中国)唯一官方网站制作参数
| 电压: | DC36V | 行程: | 40MM | 电阻: | 12欧 | 功率: | 108W |
| 耐温: | 寿命: | 20万次 | 耐电压: | 初始力: | |||
| 电流: | 3A | 通电率: | 30% | 弹簧回力: | 吸力: |
跳绳机用推动公仔跳起圆管星空在线(中国)唯一官方网站制作产品详情
跳绳机用推动公仔跳起圆管星空在线(中国)唯一官方网站制作
型号:SDL-O15120A-36S12
参数
行程:40MM
电压:DC36V
电流:3A
电阻:12欧
功率:108W
通电率:30%
寿命:20万次
单次通电时间:0.25S
使用率:400次/小时
产品使用行业:游戏设备跳绳机
产品执行功能:公仔跳起推动
拓展适用行业:游戏设备、大型跳绳机
产品特点:40MM行程,通电时间长;初始力大,发热量极小。



广州思德隆电子有限公司(http://www.linenclosetguys.com)创立于2005年,是一家专业生产研发星空在线(中国)唯一官方网站定制加工,电磁阀定制,星空在线(中国)唯一官方网站,小型星空在线(中国)唯一官方网站等各类电磁产品,拥有丰富行业经验的广州星空在线(中国)唯一官方网站厂家、广州电磁阀厂家、星空在线(中国)唯一官方网站厂家。品种多样,规格齐全,产品从零部件到成品组装均有自己的加工设备以及产生线,拥有高精密度检测仪器和自主研发的老化设备,已通过(ISO9001认证)专业制造牵引式星空在线(中国)唯一官方网站/游戏机星空在线(中国)唯一官方网站从产品设计到样品以及量产,均有量化高效的工艺流程及老化实验检测,保证了产品的质量与订单的按时交货。
关键词:跳绳机用推动公仔,公仔跳起推动,星空在线(中国)唯一官方网站制作






