按应用分类
- 公交车投币器星空在线(中国)唯一官方网站
- 公交车破窗器星空在线(中国)唯一官方网站
- 车灯星空在线(中国)唯一官方网站
- 门锁星空在线(中国)唯一官方网站
- 防坠器星空在线(中国)唯一官方网站
- 纺织机星空在线(中国)唯一官方网站
- 裁线机星空在线(中国)唯一官方网站
- 绣花机星空在线(中国)唯一官方网站
- 游戏机星空在线(中国)唯一官方网站
- 打印机星空在线(中国)唯一官方网站
- 喷码机星空在线(中国)唯一官方网站
- 端子机星空在线(中国)唯一官方网站
- 弹珠机星空在线(中国)唯一官方网站
- 长行程星空在线(中国)唯一官方网站
- 起重机星空在线(中国)唯一官方网站
- 大吸力星空在线(中国)唯一官方网站
- 自动售米机星空在线(中国)唯一官方网站
- 自动流水线星空在线(中国)唯一官方网站
- 选色机星空在线(中国)唯一官方网站
- 振动盘星空在线(中国)唯一官方网站
- 机械手星空在线(中国)唯一官方网站
铜带机星空在线(中国)唯一官方网站
发布日期:2015-12-16 来源:思德隆 标签:牵引式星空在线(中国)唯一官方网站 浏览次数:11442
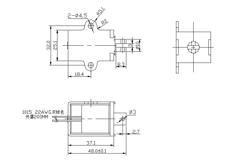
型号:SDL-U1038A-220L
产品使用对象:铜带机
产品执行功能:牵引
铜带机星空在线(中国)唯一官方网站参数
| 电压: | AC220V | 行程: | 10mm | 电阻: | 功率: | ||
| 耐温: | 寿命: | 耐电压: | 初始力: | 1.5kg | |||
| 电流: | 1A-2.5A | 通电率: | 弹簧回力: | 0.8kg | 吸力: |
铜带机星空在线(中国)唯一官方网站产品详情
名称:铜带机星空在线(中国)唯一官方网站
型号:SDL-U1038A-220L
参数:
电压:AC220V
行程:10mm
初始力:1.5kg
弹簧回弹力:0.8kg
电流:1A-2.5A
性能:
1、线圈加大,拉推力强;
2、框架加固,不会因为震动而散架;
3、加装自动恢复保险丝,在电压不稳定的时候不烧坏星空在线(中国)唯一官方网站和电路;
4、拉杆两端均有凹槽,便于链接;
5、采用上饶优质耐高温漆包线,老化慢,性能稳定;
6、采用大号导线,降低不必要电损。

.jpg)
广州思德隆电子有限公司(http://www.linenclosetguys.com)创立于2005年,是一家专业生产研发星空在线(中国)唯一官方网站厂家,电磁阀,星空在线(中国)唯一官方网站,小型星空在线(中国)唯一官方网站等各类电磁产品,拥有丰富行业经验的广州引式星空在线(中国)唯一官方网站制造商、电磁阀、星空在线(中国)唯一官方网站厂家。品种多样,规格齐全,产品从零部件到成品组装均有自己的加工设备以及流水线,拥有高精密度检测仪器和自主研发的老化设备,铜带机星空在线(中国)唯一官方网站从产品设计到样品以及量产,均有量化高效的工艺流程及老化实验检测,保证了产品的质量与订单的按时交货。
关键词:铜带机星空在线(中国)唯一官方网站,铜带机星空在线(中国)唯一官方网站厂家,铜带机星空在线(中国)唯一官方网站订做






