24V娃娃爪子通电星空在线(中国)唯一官方网站
发布日期:2017-3-23 来源:思德隆 标签:星空在线(中国)唯一官方网站定制 浏览次数:6350
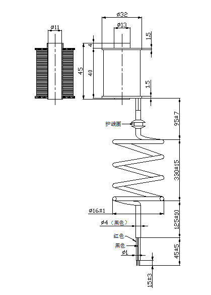
型号:SDL-XQ1140A-24L10
产品使用对象:娃娃游戏机爪子
产品执行功能:通电抓东西
24V娃娃爪子通电星空在线(中国)唯一官方网站参数
| 电压: | DC24V | 高度: | 电阻: | 10欧 | 寿命: | 20万次 | |
| 电流: | 2.4A | 通电率: | 10% | 耐温: | 功率: | 57.6W | |
| 线圈高斯: | 外径: |
24V娃娃爪子通电星空在线(中国)唯一官方网站产品详情
24V娃娃爪子通电星空在线(中国)唯一官方网站
型号:SDL-XQ1140A-24L10
参数
行程:12MM
电压:DC24V
电流:2.4A
初始力:250G
电阻:10欧
功率:57.6W
通电率:10%
寿命:20万次
单次通电时间:5S
产品使用行业:娃娃游戏机爪子
产品执行功能:通电抓东西
产品特点:体积小,力度大
.jpg)
.jpg)
.jpg)
广州思德隆电磁品种多样,规格齐全,产品从零部件到成品组装均有自己的加工设备以及生产线,拥有高精密度检测仪器和自主研发的老化设备,(娃娃爪子通电星空在线(中国)唯一官方网站)从产品设计到样品以及量产,均有量化高效的工艺流程及老化实验检测,保证了产品的质量与订单的按时交货。
/elinfo-141.html
/coinfo-27.html
/coinfo-31.html
/newsinfo-109.html
关键词:娃娃爪子通电星空在线(中国)唯一官方网站









